NS系列谐振光纤开关/调制器是一种2端口或3端口设备,具有固定频率下的快速幅度调制功能,可在10至90 MHz之间进行选择,并具有低光损耗。这是通过使用具有内置高Q谐振电路的专利电光配置来实现的。与其他调制器不同,我们使用高稳定性的特殊电光晶体,可以增加功率处理并减少漂移/暗化。NS光开关/调制器满足了连续运行25年的最苛刻的交换要求,具有非机械超高可靠性。该开关本质上是双向的,可选择与偏振无关或保偏尾纤。
品牌:Agiltron
NS系列谐振光纤开关/调制器是一种2端口或3端口设备,具有固定频率下的快速幅度调制功能,可在10至90 MHz之间进行选择,并具有低光损耗。这是通过使用具有内置高Q谐振电路的专利电光配置来实现的。与其他调制器不同,我们使用高稳定性的特殊电光晶体,可以增加功率处理并减少漂移/暗化。NS光开关/调制器满足了连续运行25年的最苛刻的交换要求,具有非机械超高可靠性。该开关本质上是双向的,可选择与偏振无关或保偏尾纤。
我们的谐振EO相位调制器可以由标准实验室函数发生器驱动,在633nm处的半波驱动电压仅为15V。
上升/下降时间与晶体的财产有内在联系,重复率与驱动器有关。由于器件谐振,存在较差的频率响应部分。NS设备出厂时安装在经过调整的驱动程序上。
|
参数 |
最小值 |
典型值 |
最大值 |
单位 |
|
|
插入损耗 [1] |
1900-2200nm |
|
1.3 |
2.2 |
dB |
|
1260-1620nm |
|
1 |
2 |
||
|
960-1100nm |
|
1.5 |
2.6 |
||
|
780-960nm |
|
1.7 |
3 |
||
|
串扰 [2] |
10 |
20 |
35 |
dB |
|
|
寿命 |
1014 |
|
|
cycles |
|
|
PDL (SMF only) |
|
0.15 |
0.3 |
dB |
|
|
PMD (SMF only) |
|
0.1 |
0.3 |
ps |
|
|
ER (PMF only) |
18 |
25 |
|
dB |
|
|
IL温度稳定性 |
|
0.25 |
1.5 |
dB |
|
|
回波损耗 |
45 |
50 |
60 |
dB |
|
|
重复频率 |
|
20 |
90 |
MHz |
|
|
最大光功率 [4] |
标准功率版本 |
|
300 |
|
mW |
|
高功率版本 |
|
|
5 |
W |
|
|
工作温度范围 |
标准版 |
-5 |
|
75 |
℃ |
|
宽温度范围 |
-30 |
|
85 |
||
|
存储温度范围 |
-40 |
|
100 |
℃ |
|
[1] 插入损耗不含连接器。波长<850nm或>1700nm仅在交货期较长的特殊版本中提供。
[2] ±25nm,串扰在100kHz下测量,在较高的重复频率下可能会降级。
[3] 它被定义为光学强度的10%到90%之间的上升或下降时间。
[4] 定义为1310nm/1550nm。对于较短的波长,处理功率可能会降低,请联系我们了解更多信息。高功率版本可通过增加光纤纤芯(额外价格)获得。
电信号信息:
信号控制:0-15V,模拟信号,SMA接口
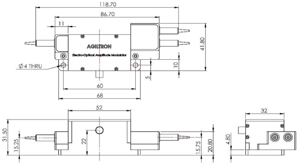
产品尺寸:
典型带宽测试:
产品订购信息
|
|
¨ |
¨ |
¨ |
¨ ¨ |
¨ |
¨ |
¨ |
¨ |
|
Prefix |
Type |
Wavelength |
Power Handling[1] |
Repetition Rate |
Fiber Type |
Fiber Cover |
Fiber Length |
Connector[2] |
|
NSRM- |
1x1=1 |
1060=1 |
Regular = 1 |
10MHz =10 |
SMF-28=1 |
Bare fiber=1 |
0.25m=1 |
None=1 |
|
|
1x2=2 |
2000=2 |
500mw = 2 |
20MHz = 20 |
HI1060=2 |
900um Tube=3 |
0.5m=2 |
FC/PC=2 |
|
|
2x2=3 |
1310=3 |
5W = 5 |
30MHz = 30 |
HI780=3 |
Special=0 |
1.0 m=3 |
FC/APC=3 |
|
|
|
1550=5 |
|
40MHz = 40 |
PM1550=5 |
|
Special=0 |
SC/PC=4 |
|
|
|
1625 =6 |
|
50MHz = 50 |
PM850=8 |
|
|
SC/APC=5 |
|
|
|
780=7 |
|
60MHz = 60 |
PM980=9 |
|
|
ST/PC=6 |
|
|
|
850=8 |
|
70MHz = 70 |
Special=0 |
|
|
LC/PC=7 |
|
|
|
650=E |
|
80MHz = 80 |
|
|
|
LC/APC=8 |
|
|
|
Special=0 |
|
90MHz = 90 |
|
|
|
E2000 APC=9 |
|
|
|
|
|
Special = 00 |
|
|
|
Special=0 |
[1] :波长<850nm或>1700nm仅在交货期较长的特殊版本中提供。
[2]: 关于NPHW版本的高功率连接器,请联系销售人员。
备注: PM1550光纤适用于1310nm。
操作说明:
1.将控制信号连接到盒子上的SMA连接器。
2.然后设备应能正常工作。
注意:请勿打开盒子并更改设备出厂设置。
